加入购物车成功!
介绍:
压力式温度计适用于工业场合测量各种对铜无腐蚀作用的介质温度,若介质有腐蚀作用应选用防腐型。该仪表广泛用于机械、轻纺、化工、制药、食品行业对生产过程中的温度测量和控制。能在工作温度达到或超过给定值时发出信号,也可用来做为温度调节系统内的电路接触开关。
压力式温度计主要技术指标
型 号 | 功 能 | 表盘直径mm | 视 向 | 表壳材料 |
WTZ-280 WTQ-280 | 指示式 | 100 | 径向(挂装式) | 胶木 |
压力式温度计测量范围
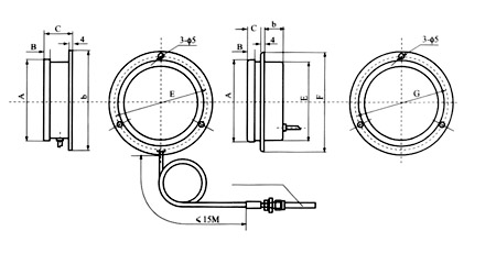
测量范围 | WTZ-280 WTQ-280 | -20~60;0~100;20~120;60~160;40~60;0~50;0~120; 0~200;0~250;0~300;0~400;0~500;0~600 | |
温包插入深度 | 150~280(尾长12M)200~300(尾长>12M) | ||
温包材料 | Φ8,Φ10, Φ13,Φ14铜管,Φ8,Φ10, Φ13,Φ14不锈钢管 | ||
毛细管材料 | 铜质毛细管 包塑毛细管 不锈钢毛细管 | ||
安装方式 | WTZ-280 | M27*2可动外螺纹 | 材料铜,铁,不锈钢 |
WTQ-280 | M33*2可动外螺纹 | ||
尾长 | 1M~20M>20M特殊加工 | ||
技术参数 | 精度等级1.5/2.5 触头容量:220V/1A(无感负载10VA) | ||
安装孔尺寸 | 4″-Φ118mm 6″-Φ158mm | ||





