加入购物车成功!
介绍:
不锈钢压力表的零件采用耐腐蚀的不锈钢及耐腐蚀的合金材料制成,使仪表具有******的耐腐蚀性能,可广泛应用于石油、化工、矿山、机械、电力及食; 品行业。直接测量不结晶体,有腐蚀性的气体、液体的压力。
本仪表的整体结构设计合理、工艺精致,具有较高的测量准确度和持久的稳定性,因此不仅可提供出口,尤为国内用户对引进国外xj****技术装备中的******仪表实现国产化的理想配套产品。
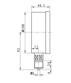
不锈钢压力表规格示意
不锈钢压力表技术参数
公称直径:Φ60 Φ100 Φ150
结构形式:径向直接安装式
接头螺纹:M20x1.5
准确度等级:1.5 2.5
测量范围:与一般压力表的测量范围相同
环境条件:温度-40-70℃ 相对湿度≤85﹪
耐振等级:YBF为V.H.3 YBFN为V.H.4
材料:0Cr18Ni9Ti、1Cr18Ni9Ti、316等
外形尺寸




